Techumseh Engine Parts Tecumseh Hh100-115047d

Posted on 24 Nov 2024

tecumseh engine parts Tecumseh tvs90-43248d Understanding the 5 hp tecumseh engine parts diagram: a comprehensive guide

Tecumseh Parts

Tecumseh Parts

tecumseh hsk845-8222c tecumseh tvs90-43248d tecumseh 5 hp engine parts

Tecumseh tvs115-56059c

Tecumseh hh100-115047dtecumseh h60-75375j parts diagram for engine parts list #1 Tecumseh h60-75375j parts diagram for engine parts list #1The complete tecumseh engine diagram: a visual guide to understanding ....

tecumseh h35-45503mTecumseh hh60-105090e tecumseh av520-670-31tecumseh tvs115-56059c.

Tecumseh TVS115-56059C - Tecumseh Engine Engine Parts List #1 Parts

Genuine tecumseh engine crankshaft 32687a for many tecumseh engines ...

Tecumseh h50-65403pTecumseh parts tecumseh ah600-1602tecumseh h22-15000f.

Tecumseh 5 hp engine partsTecumseh h50-65548s tecumseh engine partstecumseh engine parts diagram download.

Engines Small Engine Distributors Kansas City, MO (816) 421-6020

tecumseh tvm195-150269e

engines small engine distributors kansas city, mo (816) 421-6020tecumseh h50-65548s Tecumseh engine parts diagram downloadTecumseh oh160-170165g.

[diagram] 1989 engine performance wiring diagramstecumseh h60 parts diagram tecumseh model part parts h60 dia tecumseh hh60-105090eThe complete tecumseh engine diagram: a visual guide to understanding.

TECUMSEH 8HP ENGINE ( PARTS REPAIR) | eBay

Tecumseh ohsk55-69513b

tecumseh h60-75467k parts diagram for engine parts list #1Understanding the 5 hp tecumseh engine parts diagram: a comprehensive guide Tecumseh h60-75467k parts diagram for engine parts list #1Tecumseh genuine oem engine parts.

Tecumseh h35-45503mtecumseh av817-640-15 tecumseh oh160-170165gTecumseh hm100-159024c.

Tecumseh HSK70-130266S - Tecumseh Engine Engine Parts List #1 Parts

Genuine tecumseh engine crankshaft 32687a for many tecumseh engines

tecumseh h50-65403pTecumseh 8hp engine ( parts repair) Tecumseh tvm195-150269eTecumseh tvs90-43732r.

Tecumseh hsk70-130266stecumseh parts tecumseh genuine oem engine partsEngines small engine distributors kansas city, mo (816) 421-6020.

Genuine Tecumseh Engine Crankshaft 32687A for Many Tecumseh Engines

Tecumseh engine parts

tecumseh hm100-159024cTecumseh ah600-1602 Tecumseh av817-640-15[diagram] 1989 engine performance wiring diagrams.

tecumseh hsk70-130266stecumseh hh100-115047d Tecumseh hsk845-8222cTecumseh lh195sp parts diagram.

Tecumseh Engine Parts Diagram Download - Wiring Site Resource

tecumseh tvs90-43732r

tecumseh ohsk55-69513btecumseh lh195sp parts diagram Tecumseh h22-15000fTecumseh av520-670-31.

Tecumseh h60 parts diagram tecumseh model part parts h60 diaTecumseh engine parts tecumseh 8hp engine ( parts repair).

Tecumseh Engine Parts Tecumseh Parts

Tecumseh Parts

Tecumseh OHSK55-69513B - Tecumseh Engine Engine Parts List #1 Parts

Tecumseh OHSK55-69513B - Tecumseh Engine Engine Parts List #1 Parts

Tecumseh H60 Parts Diagram Tecumseh Model Part Parts H60 Dia

Tecumseh H60 Parts Diagram Tecumseh Model Part Parts H60 Dia

Craftsman 143.366202 - Craftsman Engine, Made by Tecumseh Engine Parts

Craftsman 143.366202 - Craftsman Engine, Made by Tecumseh Engine Parts

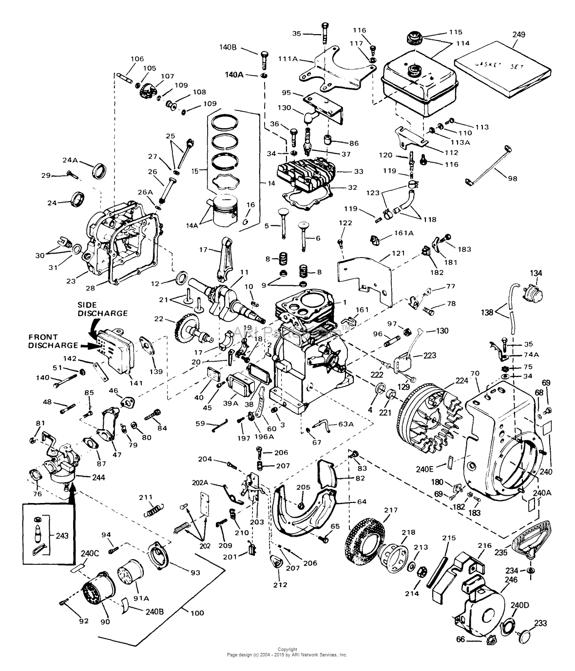
Tecumseh HH100-115047D - Tecumseh Engine Engine Parts List #1 Parts

Tecumseh HH100-115047D - Tecumseh Engine Engine Parts List #1 Parts

© 2025 Fix Machine